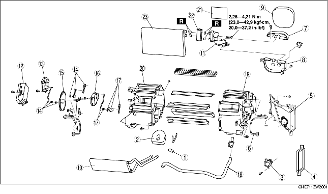
DEMONTAGE/REMONTAGE D'UNITE DE CLIMATISATION [CLIMATISATION ENTIEREMENT AUTOMATIQUE]


BHE071161130W02

1. Démonter selon l'ordre indiqué dans le tableau.

Attention
• S'il est fait usage d'une huile non spécifiée, des bruits anormaux et des dysfonctionnements peuvent apparaître au niveau des raccords. N'appliquer que de la graisse spécifiée pour chaque raccord.

2. Remonter dans l'ordre inverse du démontage.

1
Flexible de purge
2
Mousse de polyuréthane (1)
3
Transistor de puissance
4
Polyuréthane adhésif (1)
5
Conduite d'air
6
Sonde de température de l'évaporateur
7
Mousse de polyuréthane (2)
8
Support (1)
9
Support (2)
10
Radiateur de chauffage
11
Tuyau d'évaporation
12
Amplificateur de climatisation
13
Actionneur de mode de débit d'air
14
Jeu de tringles de mode de débit d'air
15
Tringle principale de mode de débit d'air
16
Actionneur de mélange d'air
17
Jeu de tringles de mélange d'air
18
Flexible d'air
19
Boîtier de la climatisation (1)
20
Boîtier de la climatisation (2)
21
Polyuréthane adhésif (2)
22
Soupape d'expansion
23
Evaporateur

Note sur le remontage de la sonde de température de l'évaporateur

1. Monter la sonde de température de l'évaporateur comme indiqué sur l'illustration.