INSPECTION DE FILTRE ANTIPARASITE
BHE092066869W02
Filtre antiparasite de feu de stop
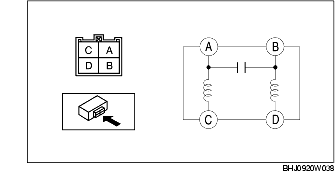
1. Vérifier la résistance et la continuité entre les bornes du filtre antiparasite de feu de stop.
-
• Si la résistance mesurée ne correspond pas aux spécifications du tableau, remplacer le filtre antiparasite de feu de stop.

Filtre antiparasite de dégivreur de lunette arrière
1. Vérifier la résistance entre les bornes du filtre antiparasite du dégivreur de lunette arrière
-
• Si la résistance mesurée ne correspond pas aux spécifications du tableau, remplacer le filtre antiparasite de dégivreur de lunette arrière.
