DEPOSE/REPOSE DE TRANSISTOR DE PUISSANCE


BHE074061015W03

1. Débrancher le cable négatif de la batterie.

2. Déposer la boîte à gants.

3. Déposer les différents composants selon l'ordre indiqué dans le tableau.

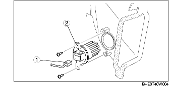
1
Connecteur de transistor de puissance
2
Transistor de puissance

4. Pour la repose, suivre l'ordre inverse de la dépose.