DEMONTAGE/REMONTAGE D'UNITE DE SOUFFLERIE
BHE071161140W02
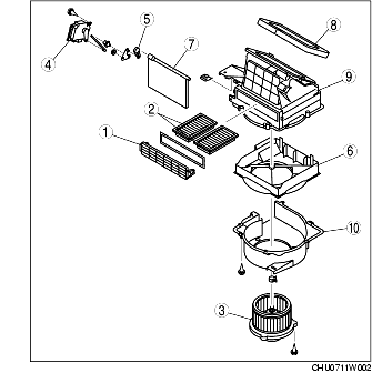
1. Démonter selon l'ordre indiqué dans le tableau.
-
Attention
-
• S'il est fait usage d'une huile non spécifiée, des bruits anormaux et des dysfonctionnements peuvent apparaître au niveau des raccords. N'appliquer que de la graisse spécifiée pour chaque raccord.
|
1
|
Cache de filtre à air
|
|
2
|
Filtre à air
|
|
3
|
Moteur de soufflerie
|
|
4
|
Actionneur d'admission d'air
|
|
5
|
Raccord d'admission d'air
|
|
6
|
Plateau
|
|
7
|
Clapet d'admission d'air
|
|
8
|
Polyuréthanne adhésif
|
|
9
|
Boîtier de soufflerie (1)
|
|
10
|
Boîtier de soufflerie (2)
|
2. Remonter dans l'ordre inverse du démontage.