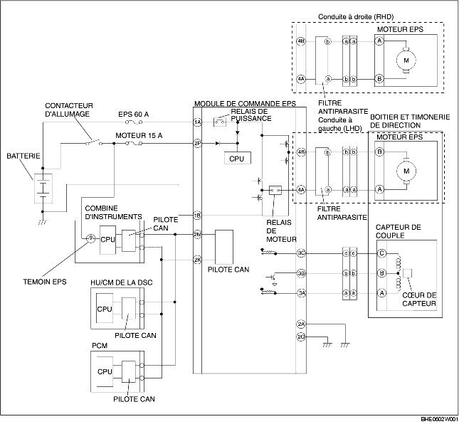
SCHEMA DE CABLAGE DU SYSTEME DE SERVODIRECTION ELECTRIQUE (EPS)


BHE060201038W01